Hi Gurus
I have had my Bultaco Sherpa 250 M158 in bits for a long time now.
I am at the stage where I have to put the air box back in the frame. But there are no bolt holes or brackets.
This bike is a bit of a mongrel and has many "custom" parts.
so could anybody post an image or two or give me an idea of how one actually attaches this BASTARD of an Airbox.
Regards
Ian
Bultaco 158 Airbox
Moderator: Moderators
-
Mrapocalypse
- C grade participant

- Posts: 38
- Joined: Tue Apr 11, 2006 12:06 pm
- Bike: 1976 Bultaco Sherpa
- Location: Brisbane
-
sherpa
- A grade participant

- Posts: 103
- Joined: Mon Mar 02, 2009 8:22 am
- Club: pacific park
- Bike: gasgas/sherpa
Re: Bultaco 158 Airbox
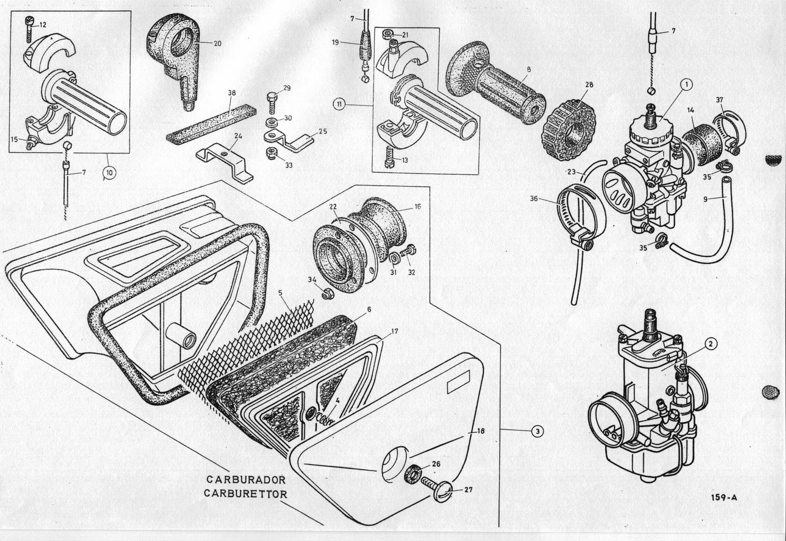
Parts 24 and 25 fit into the mouth of the airbox and clamp it to the the frame
- Attachments
-
- CARBURACION.jpg (454.72 KiB) Viewed 15781 times
-
Mrapocalypse
- C grade participant

- Posts: 38
- Joined: Tue Apr 11, 2006 12:06 pm
- Bike: 1976 Bultaco Sherpa
- Location: Brisbane
Re: Bultaco 158 Airbox
Hi
Wow thanks for that. What a big help.
I am going to have to do some fabricating.
Cheers.
Ian
Wow thanks for that. What a big help.
I am going to have to do some fabricating.
Cheers.
Ian
- BOGWHEEL
- A grade participant

- Posts: 138
- Joined: Wed Jul 02, 2008 1:42 pm
- Club: TCQ
- Bike: Bultaco
- Location: Ipswich
- Location: Qld
Re: Bultaco 158 Airbox
Then fit one of these https://www.inmotiontrials.com/product/ ... r-on-hose/
Then ditch the Amal for a Dellorto. You will be
at the difference!
Then ditch the Amal for a Dellorto. You will be
-
Mrapocalypse
- C grade participant

- Posts: 38
- Joined: Tue Apr 11, 2006 12:06 pm
- Bike: 1976 Bultaco Sherpa
- Location: Brisbane
Re: Bultaco 158 Airbox
I'll make that a future Mod.
Thanks..
Ian
Thanks..
Ian